您現在的位置:主頁 > 產品中心 > 灌裝設備 > 液體灌裝機 >
醫用診斷試劑灌裝機旋蓋機
設備簡介:
本機由我公司自主研發的一款醫用診斷試劑灌裝機旋蓋機,能同時完成自動理瓶、自動上瓶、定量灌裝、自動理蓋、上蓋和旋蓋封口等動作。本機采用日本全進口高精度封閉式凸輪分度工位器,精度高,運行可靠,使用壽命長。該分度器結構簡單,長期使用無需維修。該型號設備主要用于ⅣD體外診斷試劑制藥、生物制藥行業及科研領域裝。機器設計緊湊合理、外形簡潔美觀,灌裝量調節方便。

醫用診斷試劑灌裝機旋蓋機設備原理:
本機為試劑瓶的專用灌裝設備,能完成自動理瓶、進瓶、液體灌裝、自動理蓋、戴蓋和旋蓋封口。管子放于理瓶器中,由理瓶器整理成列,再由氣缸逐個送入等分盤中,等分盤作16等分的間歇運動,瓶子隨等分盤轉動;經灌裝工位時,灌裝頭分二次灌裝;再經戴蓋工位時,蓋子自動戴在瓶口上;再經旋蓋工位,旋蓋頭下降,將蓋子旋緊在瓶口上。完成灌裝封口的瓶子,最后被氣缸推到貼標輸送帶中,再被送到后道貼標工位上。理瓶和理蓋由振震器完成,灌裝為由雙頭蠕動泵完成,貼標送瓶由貼標機上的輸送電機完成。各機構在PLC控制下,共同協調完成各個動作。
醫用診斷試劑灌裝機旋蓋機設備特點:
1、采用高精度蠕動泵執行灌裝,精度高,物料不交叉污染;泵的結構采用快接式拆卸機構,便于清洗、消毒。
2、西門子PLC控制系統,彩色觸摸屏顯示。
3、該機具有缺瓶不灌裝和自動計數功能。
4、灌裝針頭設有防滴漏裝置。
5、灌裝時灌裝頭潛入瓶底,緩慢上升,可有效防氣泡。
6、采用磁力扭矩旋蓋頭,旋蓋力矩無級可調,具有恒力矩旋蓋功能,糾正傾斜瓶蓋,不傷蓋,封口嚴密可靠;
7、物料接觸部分采用SUS316L不銹鋼制造,整機外觀為SUS304不銹鋼,完全符合GMP要求。
8、本機可選配防塵罩搭配層流罩(FFU)結構,可達到局部百級環境下完成灌裝及封蓋。

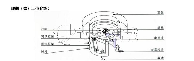
理瓶(蓋)工位介紹:
振動盤料斗下面有個脈沖電磁鐵,可以使料斗作垂直方向振動,由傾斜的彈簧片帶動料斗繞其垂直軸做扭擺振動。料斗內瓶子或者瓶蓋,由于受到這種振動而沿螺旋軌道上升。在上升的過程中經過一系列軌道的篩選或者姿態變化,瓶子、瓶蓋能夠按照組裝或者加工的要求呈統一狀態自動進入組裝或者加工位置。 其工作目的是通過振動將無序工件自動有序定向排列整齊、準確地輸送到下道工序。
主要技術參數:
裝量范圍 1-10ml
適用規格 試劑瓶
裝量誤差 ≤ ±1%
灌裝頭數 雙頭
旋蓋頭數 單頭
旋(軋)蓋合格率 ≥99%
生產能力 30-40BPM
灌裝方式 蠕動泵流量式灌裝
電源 380V/50Hz
功率 1.8 kw
機器凈重 450kg
外形尺寸 1100*1000*1800mm
產品細節:



